不同吸附剂上动态吸附-脱附挥发性有机气体性能研究

岳旭 王胜 刘旭 李德意 王树东 王建成 郝兵元

引用本文: 岳旭, 王胜, 刘旭, 李德意, 王树东, 王建成, 郝兵元. 不同吸附剂上动态吸附-脱附挥发性有机气体性能研究[J]. 燃料化学学报, 2020, 48(1): 120-128. shu
Citation:  YUE Xu, WANG Sheng, LIU Xu, LI De-yi, WANG Shu-dong, WANG Jian-cheng, HAO Bing-yuan. Dynamic adsorption and desorption of volatile organic compounds on different adsorbents[J]. Journal of Fuel Chemistry and Technology, 2020, 48(1): 120-128. shu

不同吸附剂上动态吸附-脱附挥发性有机气体性能研究

    通讯作者: 王胜, tytuhaoby@126.com; 郝兵元, wangsheng@dicp.ac.cn
  • 基金项目:

    国家重点研发计划(2016YFC0204302)和国家自然科学基金(21676267)项目资助

摘要: 采用气相色谱法和热重分析(TG)研究了活性炭以及5A、NaY、13X、ZSM-5(SiO2/Al2O3=27、300)、Hβ和MCM-41分子筛对正己烷、甲苯和乙酸乙酯的动态吸附-脱附性能,系统考察了挥发性有机气体(VOCs)浓度与种类及体积空速对吸附容量的影响。结果表明,增加体积空速和VOCs浓度,一定程度上能够提升吸附容量;活性炭吸附剂对三种VOCs具有较高的单位质量吸附量,而13X与NaY对三种VOCs具有更大的单位体积吸附量。

English

  • 挥发性有机物(VOCs)排放涉及石油化工、医药、印刷业、电子制造、喷涂、塑料加工等众多行业, 主要包括芳香烃类VOCs(三苯、多环芳香烃等)、含氧类VOCs(醇类、酮类、酚类、酯类等)、烃类(如烷烃、烯烃)、含杂原子VOCs(如卤代烃等), 其中, 部分VOCs甚至具有强致癌性和基因毒性, 如多环芳烃(PAHs)等。鉴于VOCs对环境和对人体健康的危害, 欧盟在2006年签订了哥德堡协议, 承诺到2020年欧盟成员国VOCs排放量将削减为2000年的一半;中国“十三五”期间也将VOCs纳入大气污染物总量控制的范畴[1]

    在众多VOCs排放源中, 工业源排放占比最高。针对工业有机废气气量大, 质量浓度低(100-2000 mg/m3)等特点, 吸附浓缩和催化氧化耦合技术是最适宜的技术, 该技术可通过低浓度VOCs的浓缩富集, 降低催化净化负荷, 可以在较经济条件下将VOCs完全无害化处理[2, 3]。而该技术中高效吸附剂的开发是关键。吸附剂通过表面的孔结构和非平衡分子引力或化学键力, 将VOCs分子吸附在固体吸附剂表面。目前, 活性炭因具有丰富的微孔及高的吸附容量具有较广的应用, 但是由于活性炭用空气再生时存在爆炸安全隐患, 另外, 根据《国家危险废物名录》的规定, 涂装和石化行业吸附VOCs后的活性炭为危险废物。因此, 极大地限制了活性炭的推广应用。而分子筛吸附剂具有单位容积吸附容量大、稳定性高、循环吸附性能好等优点[4], 具有广泛的应用前景。为此, 本实验采用色谱测量法对多种吸附剂上VOCs的变温吸附性能进行实验研究, 试图揭示不同种类VOCs吸附性能和吸附剂间的依存关系, 并和活性炭吸附性能进行了比较, 旨在为高效吸附剂的开发以及VOCs吸附浓缩-催化净化工艺设计提供依据。

    活性炭(中国科学院大连化学物理研究所), 全硅MCM-41介孔分子筛(天津凯特新材料科技有限公司), 5A分子筛(南开大学催化剂厂), NaY分子筛(南开大学催化剂厂), 13X分子筛(南开大学催化剂厂), Hβ分子筛(南开大学催化剂厂), ZSM-5分子筛(SiO2/Al2O3 =27、SiO2/Al2O3 =300, 南开大学催化剂厂), 正己烷(国药集团化学试剂有限公司, AR), 甲苯(天津市大茂化学试剂厂, HPLC), 乙酸乙酯(上海麦克林生化科技有限公司, HPLC)。

    BS124S电子天平(北京赛多利斯仪器系统有限公司), 气相色谱(安捷伦科技有限公司)。

    使用德国NETZSCH公司生产的STA 449F 3型同步热分析仪测定吸附剂活化温度以及动态饱和吸附后的VOCs含量, 操作气氛为氩气, 气体流量40 mL/min。测定吸附剂活化温度时, 实验分别取吸附剂样品15 mg左右置于刚玉坩埚内, 以10 ℃/min的升温速率由30 ℃升至800 ℃进行测量。测定吸附剂吸附饱和后VOCs含量时, 每次实验取饱和吸附后的样品15 mg左右置于刚玉坩埚内, 分子筛以2 ℃/min的升温速率由30 ℃升至300 ℃, 活性炭以1 ℃/min的升温速率由30 ℃升至120 ℃进行测量。

    使用美国Quantachrome公司生产的Autosorb-iQ2型物理吸附仪测定具有微孔吸附剂的孔结构;用美国Quantachrome公司生产的NOVA2200e型自动比表面积和孔隙度分析仪上测定介孔吸附剂的孔结构。在测试前, 将样品置于300 ℃下真空脱气处理4 h(活性炭置于180 ℃下)。样品在液氩(用于微孔吸附剂)或液氮(用于介孔吸附剂)温度下进行氩气或氮气吸附-脱附实验。采用BET公式计算样品比表面积, 总孔容基于Gurvich原则得到, 孔容采用t-plot方法计算得到, 孔径分布采用非定域密度泛函数(NLDFT)方法得到。

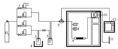
    实验所用的VOCs吸附装置示意图见图 1, 系统分为气体流量控制系统、VOCs发生器、吸附床三个部分, 末端检测采用两台Agilent-7890A型气相色谱仪, 分别配置TCD检测器与FID检测器, 其中, 设置FID检测器目的为了监测VOCs浓度。为实现均匀填料, 将成型吸附剂敲碎压片, 筛分成为60-80目的颗粒状样品, 取1 mL吸附剂样品均匀、致密地装入10 cm长的Φ6优质色谱柱管(内壁钝化处理)中, 用石英棉将吸附剂两端塞紧后, 安装至配有TCD的色谱仪柱箱内连续测量。使用高纯氢气(99.999%)作载气, 分为两路, 一路气进入VOCs发生器, 一路气为稀释气, 依靠调节气体的流量和发生器的温度来控制VOCs的浓度, 气体流量由BROOKS质量流量计调节。

    图 1

    图 1.  吸附实验装置示意图
    Figure 1.  Experiment setup of the adsorption system

    1: shut-off valves; 2: mass flowmeter; 3: VOCs saturator; 4: ice bath; 5: mixing tank; 6: three-way valve; 7: temperature sensors; 8: pressure sensors; 9: adsorption bed; 10: thermal conductivity detector; 11: soap film flowmeter; 12: gas chromatography with FID detector

    首先, 对不同吸附剂的活化条件进行了TG研究, 由图 2可知, 不同吸附剂在400 ℃前随着温度的升高均有不同程度失重。活性炭可能没有完全碳化或成型过程中有机黏粘结剂的添加导致在整个温度区间都存在失重。为了消除水蒸气和其他吸附物质的影响, 分子筛活化条件选择400 ℃、100 mL/min载气、脱附4 h;活性炭活化温度为200 ℃, 其他条件相同。

    图 2

    图 2.  几种吸附剂的TG曲线
    Figure 2.  TG curves of several adsorbents in argon with a heating rate of 10 ℃/min

    实验吸附温度为25 ℃, 待VOCs入口浓度保持平稳后, 进行穿透实验。吸附床穿透后, 于25 ℃维持5 min后, 然后以2 ℃/min(活性炭为1 ℃/min)的速率升温至设定温度后, 并维持4 h进行脱附。吸附容量由穿透曲线积分计算得出:

    $ {Q_{\rm{s}}} = \frac{{{{10}^{ - 9}}F{C_0}\left[ {{T_{\rm{s}}} - \int {_{{T_{\rm{b}}}}^{{T_{\rm{s}}}}} \frac{{{C_i}}}{{{C_0}}}{\rm{d}}T} \right]}}{m} $

    (1)

    式中, Qs为单位质量吸附剂对VOCs的饱和吸附量, g/g;C0为VOCs入口气体质量浓度, mg/m3Ci为距吸附开始i分钟后出口VOCs气体质量浓度, mg/m3F为气体总流量, mL/min;Tb为吸附穿透时间(Ci/C0= 5%), min;Ts为吸附饱和时间(Ci/C0= 95%), min;m为吸附剂的填装量(将1 mL吸附剂装填进色谱柱活化后的前后质量差), g。

    脱附率(Desorption efficiency)可以用于衡量实验过程中吸附剂的再生程度, 它通过如下计算公式得出:

    $ R = \frac{{{m_{\rm{s}}} - {m_{\rm{d}}}}}{{{m_{\rm{s}}} - m}} $

    (2)

    式中, R为吸附剂的脱附率, %;ms为吸附饱和的吸附剂质量, g;md为脱附后的吸附剂质量, g。

    对不同吸附剂的比表面积和孔结构进行了表征, 图 3为不同吸附剂的吸附-脱附等温线。

    图 3

    图 3.  吸附剂的吸附-脱附等温线
    Figure 3.  Adsorption-desorption isotherms of various adsorbents

    根据IUPAC分类[5], 13X、NaY、5A、ZSM-5(SAR=27、300)分子筛的Ar吸附-脱附等温线符合Ⅰ型等温线, 属于典型的微孔结构。在p/p0=0.4-0.9, Hβ分子筛和活性炭的Ar吸附-脱附等温线都有回滞环(H4型), 说明具有介孔结构存在。MCM-41的N2吸附-脱附等温线是典型的Ⅳ型等温线, 根据Kelvin公式, 其孔径范围属介孔, 同时滞后环(H1型)表明孔道分布狭窄。

    表 1可知, 吸附剂具有不同比表面积, 大小顺序为AC > MCM-41 > 13X >NaY> 5A> Hβ> ZSM-5(300) > ZSM-5(27)。孔容随着比表面积的增加而增加, 但是硅铝比和孔道尺寸也会影响孔容的大小, 如Hβ、MCM-41分子筛可能因孔道尺寸大而有较大的孔容;另一方面, 硅铝比的减小会导致孔道的坍塌, 比表面积和孔容也随之减小, 如ZSM-5(SAR=27、300)。

    表 1

    表 1  吸附剂的结构性质
    Table 1.  Structural characteristics of various adsorbents
    下载: 导出CSV
    SampleABET
    /(m2·g-1)
    Amicro
    /(m2·g-1)
    Ameso
    /(m2·g-1)
    vmicro
    /(cm3·g-1)
    vtotal
    /(cm3·g-1)
    dpore/nm
    5A449.2303.6145.50.090.2480.552
    13X635.3574.261.20.210.310.793-1.093
    NaY582.9506.076.90.1860.3180.755-1.093
    ZSM-5(27)287.6226.461.20.0820.2020.612-1.686
    ZSM-5(300)345.7284.361.30.1050.2260.522-0.913
    Hβ
    377.7
    151.9
    225.8
    0.047
    0.347
    0.642-1.198,
    2.736-5.514
    AC1720.81191.4529.50.4821.230.501-5.688
    MCM-411053.8-1053.8-0.9524.093

    实验选取印染、喷涂行业广泛使用的溶剂正己烷、甲苯、乙酸乙酯为吸附质进行研究, 表 2为三种吸附质的物理性质参数。

    表 2

    表 2  VOCs物理性质参数[6, 7]
    Table 2.  Physical properties of various VOCs
    下载: 导出CSV
    VOCsMolecular
    weight
    Kinetic
    diameter d/nm
    Boiling point
    t/℃
    Saturation vapor
    pressure p/kPa (20 ℃)
    Polarizability
    ×1025/cm3
    Dipole moment
    /D
    n-hexane86.180.4368.7216.161190
    Toluene92.140.53110.602.911230.38
    Ethyl acetate88.100.5277.1010.10971.78

    以甲苯为模型化合物, 以活性炭为吸附剂, 系统考察了气体质量空速、甲苯质量浓度以及吸附温度对吸附性能的影响。由图 4可知, 在甲苯质量浓度为1200 mg/m3, 吸附温度为25 ℃时, 空速越大穿透时间越短;由表 3可知, 饱和吸附量也随之增大, 可能是因为在低空速下, 受外扩散阻力的影响, 吸附质无法进入到吸附剂孔隙内部, 导致吸附剂吸附容量减小。

    图 4

    图 4.  不同条件下活性炭吸附甲苯的穿透曲线
    Figure 4.  Breakthrough curves of toluene adsorption on activated carbon under different conditions

    (a): at different volumetric space velocities; (b): at different concentrations

    表 3

    表 3  活性炭于不同空速或VOCs质量浓度条件下对甲苯的吸附性能
    Table 3.  Adsorption performance of toluene on activated carbon at different space velocities and VOCs concentrations
    下载: 导出CSV
    ConditionsSaturated adsorption
    capacity at 25 ℃/(mg·g-1)
    Desorption efficiency
    at 120 ℃*/%
    volumetric space velocity /h-1concentration of toluene /(mg·m-3)
    80001200264.5491.22
    120001200271.5988.45
    160001200296.2680.22
    16000800286.4086.17
    160001200296.1581.48
    160001600305.6672.83
    *: the results are calculated from data of TG

    在甲苯混合气体质量空速为16000 h-1, 吸附温度为25 ℃时, 甲苯质量浓度的提升会使吸附剂的穿透时间缩短, 饱和吸附量也随之增大, 主要是因为VOCs质量浓度的提高会加大气固相间的传质推动力, 单位时间内吸附质被吸附剂吸附的量增加, 且质量浓度差的增加会有利于吸附质分子进入吸附剂孔道深层, 吸附量也随之有所增加。

    同时, 不同工况下收集的吸附饱和活性炭的热重分析也表明(表 3), 空速和吸附质浓度的提高会增加活性炭吸附量, 而脱附后保留在活性炭中的甲苯也会随之增加, 证明了更多的甲苯分子通过努森扩散进入孔道的内部, 不易脱附再生。此外, 通过表 3可以得出, 在120 ℃脱附维持4 h后, 约83%的吸附容量能够再生。李守信等[8]研究表明, 甲苯在炭基吸附剂上用水蒸气脱附的方法在100 ℃下脱附效率可达99%, 因此, 针对不同的吸附质需要对吸附及脱附工况进行优化。

    同时, 实验考察了不同温度对吸附剂吸附性能的影响, 在VOCs质量浓度为1600 mg/m3、体积空速为16000 h-1条件下, 实验所选吸附质在吸附剂上的吸附行为具有相同的规律, 即温度越高吸附容量越低;而且随着温度的升高, 同一种吸附质在不同吸附剂上的吸附容量差异越来越小。实验中不同吸附剂的吸附量曲线出现相交, 如图 5所示, 这是因为当吸附质分子尺寸越接近于吸附剂孔尺寸, 孔壁叠加作用越大, 随着温度的升高, 越大的孔结构中吸附质分子越易脱附[9]。从吸附剂的孔结构(表 1)可以看到ZSM-5(300)相比于ZSM-5(27)具有更多的微孔结构, 这些微孔内吸附的吸附质分子会受到孔壁叠加作用而具有较强的作用力。而吸附在其他吸附位的分子作用力较小, 随着温度的升高优先脱附, 当温度达到一定数值后, 在总吸附容量中占比更大的微孔内的分子开始脱附, 此时与吸附质分子尺寸相当的微孔影响占主导作用, ZSM-5(300)更大的微孔孔容(vmicro=0.105 cm3/g)导致在较高温度下的脱附更加迅速, 继而出现了吸附量曲线相交的现象。在乙酸乙酯作为吸附质的条件下, Hβ和ZSM-5(27)分子筛的吸附量曲线观察到同样的现象, 但Hβ的微孔孔容(vmicro=0.047 cm3/g)小于ZSM-5(27)的微孔孔容(vmicro=0.082 cm3/g), 说明乙酸乙酯在这两种分子筛上的吸附作用力不仅仅是孔壁叠加作用, 还具有其他形式的强作用力, 且在Hβ分子筛孔道内的作用力更强, 有待进一步的探究。此外, 甲苯由于分子动力学直径较大, 未出现吸附量曲线相交现象。

    图 5

    图 5.  不同温度下吸附剂的吸附量
    Figure 5.  Adsorption capacity of various adsorbents at different temperatures

    (a): n-hexane as the adsorbate; (b): ethyl acetate as the adsorbate

    实验选取吸附温度为25 ℃、VOCs质量浓度为1600 mg/m3、空速为16000 h-1条件下, 对正己烷、甲苯、乙酸乙酯三种吸附质进行不同吸附剂的吸附性能研究。由三种有机物的物性参数可以看出(表 2), 其偶极矩和沸点以及动力学直径都存在较大的差异, 便于构建吸附剂吸附性能与吸附质物性参数间的构效关系。

    图 6穿透曲线可以看出, 不同吸附剂上的吸附容量大小顺序为:

    图 6

    图 6.  吸附剂在不同VOCs条件下的吸附穿透曲线
    Figure 6.  Breakthrough curves of different VOCs on adsorbents

    (a): n-hexane; (b): toluene; (c): ethyl acetate
    a: 13X; b: NaY; c: Hβ; d: 5A; e: ZSM-5(300); f: ZSM-5(27); g: MCM-41; h: AC

    正己烷:13X>5A>ZSM-5(300)>NaY>AC>ZSM-5(27)>Hβ>MCM-41;

    甲苯:13X>AC>NaY>Hβ>ZSM-5(300)>ZSM-5(27)>MCM-41>5A;

    乙酸乙酯:13X>NaY>Hβ>ZSM-5(300)>AC>MCM-41>ZSM-5(27)>5A;

    可以看出, AC和具有八面沸石笼状结构的13X、NaY分子筛对三种VOCs都表现出良好的吸附性能。

    结合吸附饱和后吸附剂的热重分析, 研究了吸附质-吸附剂之间的作用力强弱, 具体见图 7。由图 7可知, 不同吸附剂上正己烷的脱附温度区间相近;而甲苯或乙酸乙酯在不同吸附剂上的脱附温度区间却有很大差异, 说明正己烷在不同吸附剂上的作用力近似一致, 甲苯和乙酸乙酯在不同吸附剂上吸附性能存在较大的差异。

    图 7

    图 7.  不同VOCs在吸附剂上饱和吸附后的TG曲线
    Figure 7.  TG curves of different VOCs on adsorbents after saturated adsorption

    (a): n-hexane; (b): toluene; (c): ethyl acetate; (d): different VOC on AC

    表 4为吸附剂的饱和吸附量和脱附温度分别为200、250、300 ℃时的脱附率。结果表明, 200 ℃下, 正己烷在分子筛吸附剂上的脱附率为85%以上;300 ℃可达90%以上;而在活性炭上80与120 ℃脱附率接近, 仅为82%。

    表 4

    表 4  吸附剂25 ℃的吸附量及不同温度下的脱附率
    Table 4.  Adsorption capacities of various adsorbents at 25 ℃ and desorption efficiencies at different temperatures
    下载: 导出CSV
    Adsorbent-adsorbateSaturated
    adsorption capacity
    at 25 ℃/(mg·g-1)
    Desorption
    efficiency
    at 200 ℃ /%
    Desorption
    efficiency
    at 250 ℃ /%
    Desorption
    efficiency
    at 300 ℃ /%
    13X-n-hexane128.7085.0785.2492.42
    13X-toluene196.5252.8579.2482.92
    13X-ethyl acetate221.0732.0841.5952.43
    NaY-n-hexane110.5393.1198.2898.91
    NaY-toluene153.2846.2282.8283.51
    NaY-ethyl acetate172.6938.0956.5885.83
    Hβ-n-hexane71.6491.1191.7991.95
    Hβ-toluene97.1482.7683.3483.60
    Hβ-ethyl acetate123.0166.3373.6176.47
    5A-n-hexane99.4187.5088.4988.62
    5A-toluene9.5696.4498.95103.14
    5A-ethyl acetate18.967.8378.52104.06
    ZSM-5(300)-n-hexane94.5977.0478.0178.31
    ZSM-5(300)-toluene58.8390.6792.3793.27
    ZSM-5(300)-ethyl acetate166.8050.1551.7453.26
    ZSM-5(27)-n-hexane77.0177.7079.8280.51
    ZSM-5(27)-toluene48.6393.0596.1197.47
    ZSM-5(27)-ethyl acetate146.638.2146.9650.39
    MCM-41-n-hexane12.9595.29103.26105.74
    MCM-41-toluene58.3083.8685.3595.01
    MCM-41-ethyl acetate151.575.6176.8277.85
    --Desorption
    efficiency
    at 80 ℃ /%
    Desorption
    efficiency
    at 100 ℃ /%
    Desorption
    efficiency
    at 120 ℃ /%
    AC-n-hexane200.0782.5883.7583.76
    AC-toluene305.6659.0768.3372.83
    AC-ethyl acetate229.4873.1381.0183.73

    甲苯在13X和NaY分子筛上具有强的吸附, 随着脱附温度的升高脱附率进一步增加;甲苯在其他吸附剂上的吸附, 类似活性炭;而乙酸乙酯在13X和NaY分子筛上具有更强的吸附, 即使在300 ℃下(活性炭为120 ℃), 乙酸乙酯脱附率仅能达到85%(NaY);而在5A分子筛上, 由于乙酸乙酯分子无法进入5A分子筛孔道内, 其脱附率接近100%, 同样, 黄海凤等[10]的研究也表明,乙酸乙酯在分子筛上的脱附温度高于300 ℃。由图 7(d)表 4可以得出, 活性炭上甲苯吸附容量大于乙酸乙酯大于正己烷, 而乙酸乙酯在活性炭上的脱附性能却比甲苯好, 在活性炭上吸附以物理吸附为主。

    结合吸附质物理性质与吸附剂微观结构以及吸脱附性能, 分析了可能的原因。吸附质-吸附剂相互作用势能取决于吸附质分子的性质, 对活性炭吸附剂, 非特异性相互作用力占主导, 而极化率直接决定非静电力(色散能与短程排斥能)的大小[11]

    因此, 在活性炭上, 甲苯、乙酸乙酯和正己烷都具有较高的吸附容量和吸附强度;尽管, 乙酸乙酯在所选三种吸附质中极化率相对较小, 但难以从AC脱附, 可能与活性炭表面的官能团存在其他形式的强作用力有关[12]

    对于微孔和介孔分子筛, 表面吸附以静电相互作用(电场和偶极之间的相互作用等)为主。乙酸乙酯相对于正己烷和甲苯具有较大的偶极矩, 因此,在以Na+或非骨架Al3+为阳离子的13X、NaY以及低硅铝比的ZSM-5(27)上都具有高的吸附性能, 5A分子筛以Ca2+为阳离子, 结构内具有较强的电场[13], 但由于甲苯与乙酸乙酯动力学直径大于5A分子筛孔道尺寸, 在其上表现出极差的吸附性能。Hβ分子筛对乙酸乙酯有优良的吸附性能可能与其孔道尺寸分布有关, 一些分子在孔道内存在孔壁叠加作用力的优势。

    商用吸附剂沸石分子筛或活性炭, 都具备丰富、均匀的孔结构, 微孔吸附剂更适宜低浓度的VOCs吸附。尽管, 活性炭脱附温度低, 但其脱附不完全;分子筛具有再生率高、热稳定性好、单位体积平衡吸附量大等优点, 已逐步应用于印染、喷涂等无组织排放行业VOCs富集过程。13X与NaY分子筛对甲苯、乙酸乙酯和正己烷都有良好的吸附性能。分子筛结构中的阳离子和骨架硅铝比会影响吸附质分子与其的作用力大小, 对偶极矩较大的分子影响更加显著。吸附质的偶极矩直接影响VOCs在分子筛上吸附量和脱附温度的大小, 且影响程度与分子筛结构内的电场强弱相关。因此, 结合VOCs分子物性以及吸附剂微观结构调变, 有望开发出满足不同行业具有优良性能的VOCs吸附剂。


    1. [1]

      YANG C, MIAO G, PI Y, XIA Q, WU J, LI Z, XIAO J. Abatement of various types of VOCs by adsorption/catalytic oxidation:A review[J]. Chem Eng J, 2019, 370:  1128-1153. doi: 10.1016/j.cej.2019.03.232

    2. [2]

      王志伟, 裴多斐, 于丽平. VOCs控制与处理技术综述[J]. 环境与发展, 2017,29,(1): 1-4. WANG Zhi-wei, PEI Duo-fei, YU Li-ping. A review of the control and treatment techniques of volatile organic compounds[J]. Environ Dev, 2017, 29(1):  1-4.

    3. [3]

      张永明, 邓娟, 梁健. 工业源VOCs末端治理技术浅析及减排展望[J]. 环境影响评价, 2018,40,(2): 46-50. ZHANG Yong-ming, DENG Juan, LIANG jian. The analysis and prospect of industrial VOCs terminal treatment techniques[J]. Environ Impact Assess, 2018, 40(2):  46-50.

    4. [4]

      李照海, 羌宁, 刘涛, 何娇, 曹翌奇, 陈昊坤. 活性炭和沸石分子筛处理非稳定排放VOCs气体的性能比较[J]. 环境工程学报, 2017,11,(5): 2933-2939. LI Zhao-hai, QIANG Ning, LIU Tao, HE Jiao, CAO Yi-qi, CHEN Hao-kun. Competitive adsorption and desorption of unsteady emission VOCs on activated carbon and zeolites[J]. Chin J Environ Eng, 2017, 11(5):  2933-2939.

    5. [5]

      THOMMES M, KANEKO K, NEIMARK A, OLIVIER J, RODRIGUEZ-REINOSO F, ROUQUEROL J, SING K. Physisorption of gases, with special reference to the evaluation of surface area and pore size distribution (IUPAC Technical Report)[J]. Pure Appl Chem, 2015, 87(9/10):  1051-1069.

    6. [6]

      GOKEL G W. Dean's Handbook of Organic Chemistry[M]. 2nd ed. New York:McGraw-Hill, 2004:415-454.

    7. [7]

      LI J R, KUPPLER R J, ZHOU H C. Selective gas adsorption and separation in metal-organic frameworks[J]. Chem Soc Rev, 2009, 38(5):  1477-1504. doi: 10.1039/b802426j

    8. [8]

      李守信, 陈青松, 罗鑫, 张智文, 曾华英. 吸附法处理VOCs脱附温度的选择[J]. 中国环保产业, 2018(3): 48-50. doi: 10.3969/j.issn.1006-5377.2018.03.012LI Shou-xin, CHEN Qing-song, LUO Xin, ZHANG Wen-zhi, ZENG hua-ying. Determination on desorbing temperature of VOCs treated by adsorption method[J]. China Environ Prot Ind, 2018, (3):  48-50. doi: 10.3969/j.issn.1006-5377.2018.03.012

    9. [9]

      EVERETT D H, POWL J C. Adsorption in slit-like and cylindrical micropores in the henry's law region. A model for the microporosity of carbons[J]. J Chem Soc, Faraday Trans I, 1976, 72:  619-636.

    10. [10]

      黄海凤, 戎文娟, 顾勇义, 常人芹, 卢晗锋. ZSM-5沸石分子筛吸附-脱附VOCs的性能研究[J]. 环境科学学报, 2014,34,(12): 3144-3151. HUANG Hai-feng, RONG Wen-juan, GU Yong-yi, CHANG Ren-qin, LU Han-feng. Adsorption and desorption of VOCs on the ZSM-5 zeolite[J]. Acta Sci Circumst, 2014, 34(12):  3144-3151.

    11. [11]

      杨祖保(美).吸附剂原理与应用[M].北京:高等教育出版社, 2010:8-112.Ralph T Yang. Adsorbents Fundamentals and Applications[M]. Beijing:Higher Education Press, 2010:8-112.

    12. [12]

      SUHAS , GUPTA V K, CARROTT P J M, SINGH R, CHAUDHARY M, KUSHWAHA S. Cellulose:A review as natural, modified and activated carbon adsorbent[J]. Bioresour Technol, 2016, 216:  1066-1076. doi: 10.1016/j.biortech.2016.05.106

    13. [13]

      陈翔.多级孔道5A分子筛的合成及吸附性能研究[D].上海: 华东理工大学, 2016. http://cdmd.cnki.com.cn/Article/CDMD-10251-1016097662.htmCHEN Xiang. The synthesis and adsorption performance of hierarchical 5A zeolites[D]. Shanghai: East China University of Science and Technology, 2016. http://cdmd.cnki.com.cn/Article/CDMD-10251-1016097662.htm

  • 图 1  吸附实验装置示意图

    Figure 1  Experiment setup of the adsorption system

    1: shut-off valves; 2: mass flowmeter; 3: VOCs saturator; 4: ice bath; 5: mixing tank; 6: three-way valve; 7: temperature sensors; 8: pressure sensors; 9: adsorption bed; 10: thermal conductivity detector; 11: soap film flowmeter; 12: gas chromatography with FID detector

    图 2  几种吸附剂的TG曲线

    Figure 2  TG curves of several adsorbents in argon with a heating rate of 10 ℃/min

    图 3  吸附剂的吸附-脱附等温线

    Figure 3  Adsorption-desorption isotherms of various adsorbents

    图 4  不同条件下活性炭吸附甲苯的穿透曲线

    Figure 4  Breakthrough curves of toluene adsorption on activated carbon under different conditions

    (a): at different volumetric space velocities; (b): at different concentrations

    图 5  不同温度下吸附剂的吸附量

    Figure 5  Adsorption capacity of various adsorbents at different temperatures

    (a): n-hexane as the adsorbate; (b): ethyl acetate as the adsorbate

    图 6  吸附剂在不同VOCs条件下的吸附穿透曲线

    Figure 6  Breakthrough curves of different VOCs on adsorbents

    (a): n-hexane; (b): toluene; (c): ethyl acetate
    a: 13X; b: NaY; c: Hβ; d: 5A; e: ZSM-5(300); f: ZSM-5(27); g: MCM-41; h: AC

    图 7  不同VOCs在吸附剂上饱和吸附后的TG曲线

    Figure 7  TG curves of different VOCs on adsorbents after saturated adsorption

    (a): n-hexane; (b): toluene; (c): ethyl acetate; (d): different VOC on AC

    表 1  吸附剂的结构性质

    Table 1.  Structural characteristics of various adsorbents

    SampleABET
    /(m2·g-1)
    Amicro
    /(m2·g-1)
    Ameso
    /(m2·g-1)
    vmicro
    /(cm3·g-1)
    vtotal
    /(cm3·g-1)
    dpore/nm
    5A449.2303.6145.50.090.2480.552
    13X635.3574.261.20.210.310.793-1.093
    NaY582.9506.076.90.1860.3180.755-1.093
    ZSM-5(27)287.6226.461.20.0820.2020.612-1.686
    ZSM-5(300)345.7284.361.30.1050.2260.522-0.913
    Hβ
    377.7
    151.9
    225.8
    0.047
    0.347
    0.642-1.198,
    2.736-5.514
    AC1720.81191.4529.50.4821.230.501-5.688
    MCM-411053.8-1053.8-0.9524.093
    下载: 导出CSV

    表 2  VOCs物理性质参数[6, 7]

    Table 2.  Physical properties of various VOCs

    VOCsMolecular
    weight
    Kinetic
    diameter d/nm
    Boiling point
    t/℃
    Saturation vapor
    pressure p/kPa (20 ℃)
    Polarizability
    ×1025/cm3
    Dipole moment
    /D
    n-hexane86.180.4368.7216.161190
    Toluene92.140.53110.602.911230.38
    Ethyl acetate88.100.5277.1010.10971.78
    下载: 导出CSV

    表 3  活性炭于不同空速或VOCs质量浓度条件下对甲苯的吸附性能

    Table 3.  Adsorption performance of toluene on activated carbon at different space velocities and VOCs concentrations

    ConditionsSaturated adsorption
    capacity at 25 ℃/(mg·g-1)
    Desorption efficiency
    at 120 ℃*/%
    volumetric space velocity /h-1concentration of toluene /(mg·m-3)
    80001200264.5491.22
    120001200271.5988.45
    160001200296.2680.22
    16000800286.4086.17
    160001200296.1581.48
    160001600305.6672.83
    *: the results are calculated from data of TG
    下载: 导出CSV

    表 4  吸附剂25 ℃的吸附量及不同温度下的脱附率

    Table 4.  Adsorption capacities of various adsorbents at 25 ℃ and desorption efficiencies at different temperatures

    Adsorbent-adsorbateSaturated
    adsorption capacity
    at 25 ℃/(mg·g-1)
    Desorption
    efficiency
    at 200 ℃ /%
    Desorption
    efficiency
    at 250 ℃ /%
    Desorption
    efficiency
    at 300 ℃ /%
    13X-n-hexane128.7085.0785.2492.42
    13X-toluene196.5252.8579.2482.92
    13X-ethyl acetate221.0732.0841.5952.43
    NaY-n-hexane110.5393.1198.2898.91
    NaY-toluene153.2846.2282.8283.51
    NaY-ethyl acetate172.6938.0956.5885.83
    Hβ-n-hexane71.6491.1191.7991.95
    Hβ-toluene97.1482.7683.3483.60
    Hβ-ethyl acetate123.0166.3373.6176.47
    5A-n-hexane99.4187.5088.4988.62
    5A-toluene9.5696.4498.95103.14
    5A-ethyl acetate18.967.8378.52104.06
    ZSM-5(300)-n-hexane94.5977.0478.0178.31
    ZSM-5(300)-toluene58.8390.6792.3793.27
    ZSM-5(300)-ethyl acetate166.8050.1551.7453.26
    ZSM-5(27)-n-hexane77.0177.7079.8280.51
    ZSM-5(27)-toluene48.6393.0596.1197.47
    ZSM-5(27)-ethyl acetate146.638.2146.9650.39
    MCM-41-n-hexane12.9595.29103.26105.74
    MCM-41-toluene58.3083.8685.3595.01
    MCM-41-ethyl acetate151.575.6176.8277.85
    --Desorption
    efficiency
    at 80 ℃ /%
    Desorption
    efficiency
    at 100 ℃ /%
    Desorption
    efficiency
    at 120 ℃ /%
    AC-n-hexane200.0782.5883.7583.76
    AC-toluene305.6659.0768.3372.83
    AC-ethyl acetate229.4873.1381.0183.73
    下载: 导出CSV
  • 加载中
计量
  • PDF下载量:  51
  • 文章访问数:  5675
  • HTML全文浏览量:  1517
文章相关
  • 发布日期:  2020-01-01
  • 收稿日期:  2019-10-21
  • 修回日期:  2019-12-02
通讯作者: 陈斌, bchen63@163.com
  • 1. 

    沈阳化工大学材料科学与工程学院 沈阳 110142

  1. 本站搜索
  2. 百度学术搜索
  3. 万方数据库搜索
  4. CNKI搜索

/

返回文章