Citation: ZHENG Nan, SHI Ji-long, WANG Jie. Iron salts-catalyzed biomass hydropyrolysis for production of bio-oil and gaseous hydrocarbons[J]. Journal of Fuel Chemistry and Technology, 2020, 48(4): 414-423.
生物质铁盐催化加氢热解产生生物油与气态烃的研究
English
Iron salts-catalyzed biomass hydropyrolysis for production of bio-oil and gaseous hydrocarbons
-
Key words:
- biomass
- / hydropyrolysis
- / iron-based catalyst
- / bio-oil
- / methane
-
随着化石燃料资源的迅速减少和日益突出的环境污染问题, 生物质作为唯一可再生的丰富天然碳基燃料, 被视为重要的替代燃料之一。近年来, 生物质转化技术(如热解、催化热解等)的开发和应用受到了世界范围的广泛关注[1-8]。催化加氢热解技术可直接生成高品质高产率的生物油和气态烃, 吸引众多研究者的兴趣[9-36]。在生物质催化加氢热解过程中, 氢气气氛在催化剂作用下能形成高活性氢自由基并参与生物质热分解反应, 一方面遏制热解碎片重新缩合; 另一方面促进生物炭的甲烷化反应, 提高碳转化率; 同时生物质中的氧主要以水的形式脱除, 减少脱氧过程碳转化为一氧化碳或二氧化碳, 提高碳的利用率。因此, 生物质催化加氢热解具有生物油脱氧效果好、碳氢化合物产率高的优点。目前, 有关生物质催化加氢热解的研究较多聚焦于分子筛和贵金属催化剂。Chandler等[9]在流化床上使用HZSM-5对比了生物质催化加氢热解与催化热解的优劣, 发现催化加氢热解显著增高了生物油中的碳氢化合物的含量, 并在一定程度上抑制了催化剂结焦。Wang等[10]在高压釜反应器上使用负载稀有金属的活性炭催化剂(Ir/C、Rh/C、Pt/C、Ru/C和Pd/C)对废轮胎进行催化加氢热解, 观察到贵金属催化剂有助于生物油脱氧、脱氮和脱硫。Jan等[11]在微型裂解器上使用HZSM-5和Pd/HZSM-5进行木质素加氢热解。研究表明,负载Pd有助于苯酚类化合物转化为环烷烃和芳香烃。Thangalazhy-Gopakumar等[12]利用微型裂解器研究了HZSM-5、Ni/HZSM-5、Co/HZSM-5、Mo/HZSM-5、Pt/HZSM-5对松木加氢热解的催化作用, 负载贵金属后的分子筛均有促进生物油芳烃化的效果。从以上研究看, 贵金属负载分子筛催化具有较好的生物油提质效果, 但这类催化剂比较昂贵。此外, 许多研究受微型裂解器的局限, 缺少生物油和气体产物的定量分析。基于此, 本研究利用固定床反应器以较廉价的铁盐为催化剂研究松木催化加氢热解行为, 通过系统测定气体、液体和固体产物的产率和组成考察两者的催化效果; 并通过催化剂表征, 探究含铁化合物在加氢过程中的变化, 初步推测了生物质催化加氢过程的催化机理。
1. 实验部分
1.1 原料和催化剂
本实验采用的松木屑取自上海当地的一家木材厂, 粒径为0.15-0.425 mm(40-100目), 每次实验前置于105 ℃烘箱干燥24 h至恒重。松木的工业分析和元素分析结果见表 1。
表 1
Proximate analysis
wdry/%Ultimate analysis
wdaf/%V FC A C H N S Oa 85.0 14.4 0.6 51.6 6.2 0.1 0.0 42.1 a: by difference 铁基催化剂采用分析纯Fe(NO3)3 ·9H2O和FeSO4 ·7H2O试剂。两者均采用浸渍法添加至松木。将松木样品放入预先调配好的Fe(NO3)3 ·9H2O或FeSO4 ·7H2O溶液中, 在搅拌器上搅拌12 h后, 在60 ℃真空烘箱脱水12 h, 最后放入105 ℃通风烘箱烘干12 h, 得到的样品在石英研钵中轻轻研磨均匀, 作为热解实验样品。样品中铁元素添加量均控制在(3.0±0.1)%。
1.2 催化剂的表征
采用分析仪(JWBK132F, Beijing JWGB Sci. & Tech. Co., Ltd.)测定反应后的生物炭与催化剂混合体的比表面积和孔径, 以N2作为吸附-脱附气体。用Brunauer-Emmett-Teller (BET)公式计算比表面积, 用Barrett-Jpyner-Halenda (BJH)方法测定介孔(2-50 nm), 用Horvath-Kawazoe (HK)方法测定微孔(< 2 nm)。X射线衍射(XRD)分析在Rigku D/max 2550VB/PC的衍射仪上进行, 射线为Cu Kα (λ =0.15418 nm, 40 kV, 30 mA), 5°-90°扫描, 扫描速率为0.2(°)/min。
利用热重/差热-质谱联用(TGA/DSC-MS)观察了生物质加氢热解过程中催化剂的演变。热重分析仪为METTLER TOLEDO, STARe System, 与其耦合的质谱仪型号为Hiden Analytical。将25 mg样品加入到陶瓷坩埚中, 在氢气氩气混合气中(Ar, 100 mL(STP)/min; H2, 20 mL (STP)/min)以15 ℃/min加热至700 ℃, 连续测定TGA/DSC曲线以及相关质子释放曲线。
1.3 催化加氢热解过程
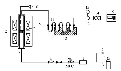
生物质催化加氢热解在自制的竖式固定床反应器中进行, 装置和流程示意图见图 1。
图 1
图 1. 实验装置和流程示意图Figure 1. Schematic diagram of the apparatus used for biomass catalytic hydropyrolysis1: H2 gas cylinders; 2: pressure regulators; 3: dehumidifier; 4: mass flow controllers; 5: check valves; 6: ball valves; 7: reactor; 8: furnace; 9: samples; 10: thermocouple; 11: liquid product trap; 12: liquid nitrogen or ice- salt mixture; 13: pressure transducers; 14: mass flow meter; 15: gas chromatograph
每次实验时, 将0.5 g样品放在反应器中, 氢气经过脱水干燥装置后从下向上以500 mL/min流入反应器中, 氢压为5.0 MPa。在确保系统无气体泄漏后, 样品层以15 ℃/min的加热速率从室温加热至指定温度(600、650、700 ℃)。松木与催化剂发生催化加氢热解反应后不断有挥发分析出, 由氢气带入至反应器出口后面安装的不锈钢冷阱以收集冷凝液体产物。用加热带(260 ℃)缠住反应器出口至冷阱间的管道, 以防止液体提前冷凝。当进行液体收集实验时, 冷阱温度控制在-100 ℃左右, 以彻底收集液体产物。通过实验前后冷阱的称重来确定液体产物的产率。称重后, 将液体产物用丙酮溶至试管中保存, 用以分析其组成。当进行气体收集实验时, 冷阱温度控制在-10 ℃, 以避免CO2凝结。不可冷凝气体以50 ℃的温度间隔收集在气袋中以便分析气体的释放规律, 气体经过减压后, 通过质量流量计以1.0 s的间隔记录所有排出气体的流量, 从而可以准确地计算每个气袋的体积。因此, 在一个实验条件下需要进行至少两次实验以分别收集液体产物和气体产物。在反应器冷却至室温后, 样品生物炭进行回收称重。松木非催化加氢热解实验采用相同方法进行, 只是在松木原料中没有添加催化剂, 以此与相同条件的催化加氢热解比较。某些典型实验条件下进行平行实验以确保实验数据的可靠性。
1.4 产物分析
三种主要气体(CO2、CO和CH4)在配备热导检测器(TCD)的气相色谱(GC Agilent 6820)上进行定量分析。四种烃类气体(C2H6、C2H4、C3H8和C3H6)分析在配备氢离子火焰检测器(FID)的气相色谱(Haixin GC950)上进行定量分析。液体产物中的水含量用库伦水分分析仪(Mettler Toledo, C20)测定。生物油中15种主要有机化合物在配备HP-5毛细管柱的气相色谱(Agilent 6890)上进行分析。以上所有气体和液体产物分析均采用外标法进行定量。
2. 结果与讨论
2.1 不同铁基催化剂的影响
表 2为无催化剂和两种铁基催化剂作用下总体产物产率、各个气体产物的产率, 以及转化成气体和生物油的总碳转化率及移入生物油中的氧转化率, 产率均以干燥无灰生物质为基准, 转化率以生物质中碳或氧含量为基准。不同条件下所得气体、水、生物油和生物炭(扣除灰分含量)四类产物产率加和后, 总平衡在94.3%-104.0%, 表明各产物回收良好。在添加Fe(NO3)3情况下, 总平衡略高于100%, 与该催化剂促进加氢反应有关, 外加氢造成总物料平衡偏高。在其他三个条件下, 总平衡稍低于100%, 可能由少量重质产物黏在反应器壁上而无法收集所致。与非催化加氢热解相比, 添加Fe(NO3)3使得气体产率近乎翻倍, 高达42.9%, 水产率也从23.0%提高至28.1%, 而生物油产率略微下降, 生物炭产率则从15.5%降低至0.3%, 可见该催化剂有很强的催化作用, 但对生物油产率的影响不大。碳平衡计算显示, 在Fe(NO3)3的作用下, 97.4%的碳转化至气体和生物油产物中, 接近完全转化, 明显高于无催化剂条件下的碳转化率(70.1%)。氧平衡计算显示, 在Fe(NO3)3的作用下, 移入生物油的氧含量大幅减少。与非催化加氢热解相比, 在添加FeSO4的情况下, 尽管水产率有所上升, 气体和生物油产率分别下降1.8%和5.5%, 碳转化率反而有所降低, 这与Fe(NO3)3的效果截然不同, 原因将在后文讨论。
表 2
表 2 无催化剂和不同催化剂作用下生物质加氢热解产生的各类产物产率和气体产物产率以及碳转化率和移入生物油的氧转化率Table 2. Yields of overall products, individual gases, the carbon conversion and the oxygen conversion by hydropyrolysis of biomass with different catalysts and withot catalyst (NC) at 700 ℃ and 5.0 MPa H2Products NC Fe(NO3)3 FeSO4 Overall products gas 23.4 ± 1.8 42.9 ± 2.2 21.6 ± 1.6 (daf. biomass basis) w/% water 23.0 ± 1.5 28.1± 1.6 26.2 ± 1.5 bio-oil 34.1 ± 1.8 32.8 ± 1.7 28.6 ± 1.6 chara 15.5 ± 0.1 0.3 ± 0.1 17.9 ± 0.1 sum 96.1 104.0 94.3 Gases CO2 8.7 ± 0.9 12.6 ± 0.8 8.6 ± 0.7 (daf. biomass basis) w/% CO 7.9 ± 0.7 6.7 ± 0.7 5.9 ± 0.6 CH4 4.3 ± 0.5 21.2 ± 0.8 4.7 ± 0.4 C2H6 1.5 ± 0.3 1.6 ± 0.1 1.9 ± 0.2 C2H4 0.1 0.1 0.0 C3H8 0.7 ± 0.1 0.5 ± 0.1 0.4 ± 0.1 C3H6 0.1 0.1 0.1 Carbon conversion (carbon basis) x/% 70.1 97.4 63.0 Oxygen conversion to bio-oil (oxygen basis) /% 25.6 22.1 26.7 a:excluding ash content 就各种气体而言, 与无催化剂的结果相比, 在Fe(NO3)3催化剂的作用下, CO2产率上升了3.9%, 而CO产率有所下降, 这说明该催化剂有助于促进生物质中氧以CO2形式脱除, 减少了脱氧过程中碳的消耗; 同时, 烃类气体产率增幅尤其突出, CH4产率达到21.2%, 而生物炭产率显著降低, 表明生物炭在催化剂作用下与氢气发生了急剧反应, 产生甲烷。Meesuk等[13, 14]在流化床上利用Ni/碳催化剂进行了稻壳加氢催化热解, 在600 ℃下获得23.3%CH4产率(干燥无灰基)。可见, Fe(NO3)3催化剂具有较好的生物质加氢甲烷化能力, 而FeSO4催化剂并未表现出类似的催化作用, 只略微提高CH4和C2H6产率。
由表 2可知, CO2、CO、CH4和C2H6是四种主要的气体产物。图 2展示这四种气体在无催化剂和两种铁基催化剂作用下的释放行为。从图 2可以看出, 在无催化剂条件下, CO2自225 ℃开始释放, CO从275 ℃开始释放, 两者均在375 ℃时达到释放最高峰。CH4和C2H6自375 ℃开始逸出, 随着温度升高释放加剧。加入铁基催化剂后, 气体的释放特征发生了显著变化。在Fe(NO3)3的催化作用下, CO2和CO较无催化剂情况, 提前开始释放, CO的峰值趋于平缓; CH4也提前释放, 且在475 ℃之后释放量迅速增加。显然, 在较低温度下Fe(NO3)3促进了生物质加氢热解, 而在475 ℃后, 该催化剂主要促进了生物质中碳的加氢甲烷化反应。在添加FeSO4的情况下, 虽然CO2和CO均在低温阶段释放增大, 而CO在275 ℃之后释放受到抑制; CH4和C2H6呈类似的沿温释放特征:在425-545 ℃, 两者释放有所增大, 之后变化趋势相反。可见, 两种催化剂在低温下都有促进气体释放的作用, 但随着温度的上升, 两者发生本质区别, 唯有Fe(NO3)3有明显的甲烷化催化作用。
图 2
为了了解催化剂对生物油组成的影响, 定量测定了生物油中15种主要化合物。这些化合物区分为四类:非芳香性含氧化合物(oxygenates)、苯酚类(phenols)、单环芳烃(monocyclic aromatic hydrocarbons, MAHs), 以及双环和三环芳烃(bicyclic and tricyclic aromatic hydrocarbons, B & TAHs), 结果如图 3所示。在无催化剂条件下, 糠醛产率几乎为零; 苯酚类化合物产率为0.4%, 但其中苯酚产率几乎为零; 单环芳烃中BTX(苯、甲苯、二甲苯)产率为1.6%;二环和三环芳烃产率为0.8%。考虑到生物油产率为34.1%(表 2), 所测化合物的总产率仅为3.0%, 说明生物油中含有大量重质和其他未被检测的化合物。而在Fe(NO3)3催化剂的作用下, BTX产率提升至2.6%, 表明该催化剂具有促进轻质芳烃生成的能力。但由Fe(NO3)3催化加氢热解所得生物油中仍然存在较大部分的重质和未知化合物, 这是因为生物油主要在低温区生成, 此时催化作用并不强烈, 故所得生物油还需要进一步提质[15]。值得一提的是, 虽然FeSO4导致总体生物油产率下降(表 2), 但这一添加剂对产生糠醛有很强的选择性催化作用, 糠醛产率高达2.1%, 同时苯酚类产率也大幅上升。
图 3
2.2 不同温度的影响
鉴于Fe(NO3)3的较强催化作用, 进一步考察了不同终温下此催化剂的效果。表 3对比在三个不同终温下, 使用Fe(NO3)3催化剂与未使用催化剂加氢热解所得的结果, 其中, 生物炭产率扣除了灰分含量。在无催化剂时, 随着终温从600 ℃升高至700 ℃, 生物炭产率从23.6%降至15.5%, 气体、水分和生物油产率都略有提高, 碳转化率从57.7%提升至70.0%, 表明尚有近三分之一的碳残留在生物炭中。而在Fe(NO3)3的催化作用下, 600 ℃时碳转化率即达到77.0%, 高于无催化剂条件下700 ℃时的碳转化率。从600至700 ℃, 生物炭产率从12.8%下降至0.3%, 接近完全气化, 气体产物产率从25.7%大幅提升至42.9%, 其主要贡献在于甲烷产率的大幅提升, 水分和生物油产率小幅增加, 可见温度是决定生物炭催化甲烷化反应的重要因素。
表 3
表 3 无催化剂和Fe(NO3)3催化剂作用下生物质在不同终温下加氢热解产生的气体和主要生物油产物产率Table 3. Yields of individual gases and main bio-oil compounds produced by hydropyrolysis of biomass at different temperatures with Fe(NO3)3 and without catalyst (NC) under 5.0 MPa H2Yield/carbon conversion NC Fe(NO3)3 600 ℃ 650 ℃ 700 ℃ 600 ℃ 650 ℃ 700 ℃ Overall products gas 20.2 21.3 23.4 ± 1.8 25.7 38.1 42.9 ± 2.2 (daf. biomass basis) w/% water 20.4 21.9 23.0 ± 1.5 27.7 28.1 28.1± 1.6 bio-oil 30.6 32.8 34.1 ± 1.8 30.8 31.4 32.8 ± 1.7 chara 23.6 18.0 15.5 ± 0.1 12.8 2.4 0.3± 0.1 sum 94.8 94.1 96.2 97.0 100.0 104.0 Gases (daf. biomass basis)w/% CO2 7.6 8.0 8.7 ± 0.9 11.6 12.5 12.6 ± 0.8 CO 6.7 6.9 7.9 ± 0.7 3.4 5.7 6.7 ± 0.7 CH4 4.0 4.2 4.3 ± 0.5 9.0 17.9 21.2 ± 0.8 C2b 1.3 1.5 1.6 ± 0.3 1.1 1.3 1.7 ± 0.1 C3b 0.7 0.7 0.8 ± 0.1 0.6 0.6 0.6 ± 0.1 Main liquid compounds oxygenates 0.1 0.1 0.0 0.4 0.4 0.8 ± 0.2 (daf. biomass basis)w/% phenols 0.4 0.4 0.4 ± 0.1 0.4 0.4 0.4 ± 0.1 MAHs 0.5 1.1 1.6 ± 0.2 1.0 1.3 2.7 ± 0.3 B & TAHs 0.1 0.5 0.8 ± 0.2 0.2 0.3 0.5 ± 0.1 Carbon conversion (carbon basis)w/% 57.7 66.1 70.0 77.0 93.9 97.4 a: excluding ash content; b: saturated hydrocarbon gases occupied the majority pressure, 5.0 MPa H2 在无催化剂条件下, 随着终温从600 ℃升高至700 ℃, 生物油产率及生物油中的含氧化合物和苯酚类产率基本不变, 而单环芳烃和双环三环芳烃产率明显增大。这说明, 尽管生物油及含氧化合物的生成在这一温度段已基本结束, 但BTX和B&TAHs等轻质芳烃很大部分仍来自生物炭的深度加氢热解。在添加Fe(NO3)3的情况下, 随着终温的升高, MAHs产率从1.0%升至2.7%。综上, 随终温升高至700 ℃, 松木Fe(NO3)3催化加氢热解获得了更好的转化效果, 生物炭接近完全转化, 生物油、轻质液体芳烃和气态烃产率均趋于提高。
2.3 催化机理初探
为了理解两种铁基化合物具有完全不同的催化性能, 有必要研究两种不同催化剂在加氢热解过程中的演变, 观察其不同之处。由图 2可知, 含氧气体CO2和CO在400 ℃前大量释放, 而烃类气体CH4和C2H6在400-700 ℃大量释放, 说明400 ℃前后是热解反应的一个转折点。鉴于此, 作者提取了400和700 ℃时催化加氢残留生物炭(包含灰分)样品, 进行BET和XRD分析。表 4是三种不同生物炭样品的比表面积和孔容。由表 4可知,在400 ℃时, 无论添加何种催化剂, 所得生物炭的比表面积均较小; 在700 ℃时, 添加Fe(NO3)3所得生物炭的比表面积明显较大, 微孔和介孔均较为发达, 而添加FeSO4所得生物炭的比表面积甚至小于无催化剂所得的生物炭, 表明这种添加剂的存在反而引发生物炭结构的致密化。
表 4
表 4 不同催化剂在不同温度下生物炭的比表面积和孔容Table 4. Specific surface and pore structure parameters of char samples obtained with different catalysts and with no catalyst (NC)at different temperaturesNC Fe(NO3)3 FeSO4 700 ℃ 400 ℃ 700 ℃ 400 ℃ 700 ℃ Specific surface area A/(m2·g-1) 17.7 3.3 129.6 4.2 3.0 Micropore v/(μL·g-1) 8.2 1.4 56.5 2.0 1.6 Mesoporous v/(μL·g-1) 133.9 19.4 345.7 30.0 16.1 图 4为添加两种不同铁盐所得生物炭样品的XRD谱图。由图 4可知, Fe(NO3)3在400 ℃时被还原成Fe3O4, 之后进一步生成了α -Fe, 并可能有少量Fe6N2形成。FeSO4则呈现完全不同的化学状态, 在400 ℃时没有检测到明显的晶体结构含铁化合物, 虽有数个微弱的衍射峰, 但难以辨析其对应的化合物, 而在700 ℃时, 除了α -Fe, 还有明显的Fe2S3结晶相存在。此外, 在700 ℃时, 添加FeSO4所得的生物炭呈现较明晰的石墨化结构, 而对应Fe(NO3)3的生物炭几乎没有石墨化炭衍射峰的痕迹, 与其具有较丰富的多孔结构一致。以上结果表明, Fe(NO3)3在400 ℃以前即发生了部分还原反应, 而在400 ℃以后, 进一步发生还原反应, 同时促进生物炭形成无定型、多孔结构, 提高了生物炭的反应活性, 这是甲烷和单环芳烃产率得以明显提高(表 3)的重要原因。
图 4
图 5和图 6为无催化剂和含有两种铁基催化剂样品的热重/差热-质谱联合分析结果。虽然测定限制于常压反应条件, 但为了尽量模拟催化加氢过程, 所有样品的催化剂添加量、加热升温速率与加氢实验所用升温速率一致, 而且在热重分析中引入了氢气(见实验部分), 以深入了解两种铁盐的变化过程以及与生物质及氢气之间可能发生的反应。质谱检测了六种质荷比相对应的物质:CO2 (m/z=44); CO (m/z=28); H2O (m/z=18); NO2, CH2O2 (m/z=46);SO2 (m/z=64); H2S (m/z=34)。从TG/DTG曲线可见, 生物质的极大部分挥发分在200-400 ℃放出, 在无催化剂的情况下, 松木在375 ℃出现最大失重峰; 而当存在FeSO4和Fe(NO3)3时, 失重峰均明显前移, 前者的峰值位于280 ℃, 后者的峰值在345 ℃。这一结果一方面由于含铁化合物本身可能在低温下分解;另一方面表明催化剂加速了松木的脱挥发分过程。400 ℃以上, 松木已转变成了结构相对稳定的生物炭, 无论催化剂加入与否, 失重变化都趋于平缓, 这是由于在常压条件下氢气浓度较低, 催化剂促进生物炭加氢生成甲烷的作用不甚明显, 但从DSC曲线来看, 加入Fe(NO3)3的样品在500-700 ℃发生最为明显的吸热反应, 表明这种催化剂具有较高活性, 易于与生物炭发生吸热的还原反应, 由此形成α -Fe。FeSO4表现出类似作用, 但吸热反应较弱, 与此化合物部分形成α -Fe而另一部分形成Fe2S3的结果符合。
图 5
图 6
图 6. 无催化剂和含有两种铁基催化剂样品的热重-质谱分析(热重条件对应图 5)Figure 6. TG-MS spectra of the pinewood devolatilization with no catalyst and with Fe(NO3)3 or FeSO4 catalysta: pinewood with NC; b: pinewood with Fe(NO3)3 catalyst; c: pinewood with FeSO4 catalyst
从质谱曲线可以看到, 主要气体组成包括CO2、CO和H2O都在375 ℃处出现释放峰。在添加Fe(NO3)3情况下, CO2、CO和H2O在375 ℃处的峰值都有明显增强; 此外, m/z=46的释放峰在285 ℃前有所增大, 很可能是由于少量Fe(NO3)3分解, 形成NO2, 但该催化剂显著增强了m/z=46在375 ℃附近的释放峰, 除Fe(NO3)3开始发生急剧分解外, 还可以部分归因于生物质热解生成了同质荷比的化合物如甲酸(CH2O2)[37]。在无催化剂情况下, m/z=46在此温度出现峰值可佐证以上推测。可见400 ℃前, Fe(NO3)3已分解并还原成Fe3O4, 之后进一步与生物炭反应还原成为α -Fe, 并释放出较多CO, 导致生物炭形成多孔和无定型结构, 提高其与氢气反应的活性。Jiang等[38]报道, Fe(NO3)3与褐煤混合物在加热过程中发生类似转化反应。在添加FeSO4情况下, 在300和500 ℃处出现两个鲜明的SO2高峰, 表明FeSO4分解生成SO2, 但硫酸亚铁中的硫并非容易全部脱除, 只有部分铁还原成α -Fe, 而另一部分铁在700 ℃仍以Fe2S3存在, Fe与S之间的较高亲和性可能导致铁与生物炭之间的作用减弱, 催化活性降低。值得注意的是, 对于添加FeSO4的样品, H2S释放在500 ℃出现一个突峰, 恰与SO2的第二个释放峰对应, 推测在此温度下部分二氧化硫可能与氢气反应形成硫化氢。
此外, 可以看到, 相比于无催化剂的结果, 添加FeSO4总体上对CO2和CO的生成呈抑制作用, 与催化加压加氢实验结果趋势相同。但与无催化剂和添加Fe(NO3)3的结果相比, 添加FeSO4使水释放明显提前, 而且在500 ℃附近释放较多水分, 前一结果的催化作用机理比较复杂, 后者很可能是因为SO2与H2反应生成了H2S和H2O, 这与H2S的析出峰吻合。可见, 两种含铁化合物由于阴离子的不同, 导致两者在加氢热解过程中表现出截然不同的化学形态转换, 从而表现出不同的催化活性。Zhong等[39]比较了四种镍盐对煤热解的催化作用, 也同样发现不同阴离子具有不同的催化效果。
3. 结论
研究了两种铁盐(Fe(NO3)3和FeSO3)对松木催化加氢的作用, 观察到两种铁盐表现出完全不同的催化活性。Fe(NO3)3具有高催化活性, 通过慢速加氢热解(氢压5.0 MPa, 终温700 ℃), 生物质的碳转化率达97.4%, 甲烷产率21.2%, 生物油产率32.8%, 轻质芳烃产率增加。机理研究表明, Fe(NO3)3在400 ℃前分解还原成Fe3O4, 随后与生物质炭反应形成α -Fe, 释放出CO, 导致生物炭形成多孔、无定型结构, 有利于其发生加氢反应生成甲烷。此催化剂也促进生物炭在600-700 ℃通过加氢反应生成BTX。FeSO4对气体和液体轻质芳烃的生成有抑制作用, 与其难以完全分解, 形成低活性的Fe2S3有关。
-
-
[1]
王昶, 李丹, 郝庆兰, 王刚, 宋扬, 李桂菊. 粉粒流化床中松木生物质热解特性的研究[J]. 燃料化学学报, 2012,40,(2): 156-163. doi: 10.3969/j.issn.0253-2409.2012.02.005WANG Chang, LI Dan, HE Qin-lan, WANG Gang, SONG Yang, LI Gui-ju. Pyrolysis characteristics of pine biomass in a powder-particle fluidized bed[J]. J Fuel Chem Technol, 2012, 40(2): 156-163. doi: 10.3969/j.issn.0253-2409.2012.02.005
-
[2]
BRIDGWATER A V. Review of fast pyrolysis of biomass and product upgrading[J]. Biomass Bioenergy, 2012, 38: 68-94. doi: 10.1016/j.biombioe.2011.01.048
-
[3]
HEO H S, PARK H J, PARK Y K, RYU C, SUH D J, SUH Y W, YIM J H, KIM S S. Bio-oil production from fast pyrolysis of waste furniture sawdust in a fluidized bed[J]. Bioresour Technol, 2010, 101: 591-596.
-
[4]
李缔, 李攀, 王贤华, 邵敬爱, 杨海平, 陈汉平. 基于Fe负载的HZSM-5催化热解制备生物油实验研究[J]. 燃料化学学报, 2016,44,(5): 540-547. doi: 10.3969/j.issn.0253-2409.2016.05.005LI Di, LI Pan, WANG Xian-hua, SHAO Jing-ai, YANG Hai-ping, CHEN Han-ping. Experimental study on bio-oil from catalytic pyrolysis on Fe modified HZSM-5[J]. J Fuel Chem Technol, 2016, 44(5): 540-547. doi: 10.3969/j.issn.0253-2409.2016.05.005
-
[5]
张秀梅, 陈冠益, 孟祥梅, 李新禹. 催化热解生物质制取富氢气体的研究[J]. 燃料化学学报, 2004,32,(4): 446-449. doi: 10.3969/j.issn.0253-2409.2004.04.012ZHANG Xiu-mei, CHEN Yi-guan, MENG Xiang-mei, LI Xin-yu. Production of hydrogen-rich gas from biomass by catalytic pyrolysis[J]. J Fuel Chem Technol, 2004, 32(4): 446-449. doi: 10.3969/j.issn.0253-2409.2004.04.012
-
[6]
WANG K, KIM K H, BROWN R C. Catalytic pyrolysis of individual components of lignocellulosic biomass[J]. Green Chem, 2014, 16: 727-735. doi: 10.1039/C3GC41288A
-
[7]
KARANJKAR P U, COOLMAN R J, HUBER G W, BLATNIK M T, ALMALKIE S, KOPS S M D B, MOUNTZIARIS T J, CONNER W C. Production of aromatics by catalytic fast pyrolysis of cellulose in a bubbling fluidized bed reactor[J]. Am Inst Chem Eng, 2014, 60: 1320-1335. doi: 10.1002/aic.14376
-
[8]
WANG Y M, WANG J. Multifaceted effects of HZSM-5(proton-exchanged zeolite socony mobil-5) on catalytic cracking of pinewood pyrolysis vapor in a two-stage fixed bed reactor[J]. Bioresour Technol, 2016, 214: 700-710. doi: 10.1016/j.biortech.2016.05.027
-
[9]
CHANDLER D S, RESENDE F L P. Comparison between catalytic fast pyrolysis and catalytic fast hydropyrolysis for the production of liquid fuels in a fluidized bed reactor[J]. Energy Fuels, 2019, 33: 3199-3209. doi: 10.1021/acs.energyfuels.8b03782
-
[10]
WANG K, XU Y, DUAN P, WANG F, XU Z X. Thermo-chemical conversion of scrap tire waste to produce gasoline fuel[J]. Waste Manage, 2019, 86: 1-12. doi: 10.1016/j.wasman.2019.01.024
-
[11]
JAN O, MARCHAND R, ANJOS L C A, SEUFITELLI G V S, NIKOLLA E, RESENDE F L P. Hydropyrolysis of Lignin Using Pd/HZSM-5[J]. Energy Fuels, 2015, 29: 1793-1800. doi: 10.1021/ef502779s
-
[12]
THANGALAZHY-GOPAKUMAR S, ADHIKARI S, GUPTA R B, TU M, TAYLOR S. Production of hydrocarbon fuels from biomass using catalytic pyrolysis under helium and hydrogen environments[J]. Bioresour Technol, 2011, 102: 6742-6749. doi: 10.1016/j.biortech.2011.03.104
-
[13]
MEESUK S, CAO J P, SATO K, OGAWA Y, TAKARADA T. The effects of temperature on product yields and composition of bio-oils in hydropyrolysis of rice husk using nickel-loaded brown coal char catalyst[J]. J Anal Appl Pyrolysis, 2012, 94: 238-245. doi: 10.1016/j.jaap.2011.12.011
-
[14]
MEESUK S, CAO J-P, SATO K, OGAWA Y, TAKARADA T. Study of catalytic hydropyrolysis of rice husk under nickel-loaded brown coal char[J]. Energy Fuels, 2011, 25: 5438-5443. doi: 10.1021/ef201266b
-
[15]
ZHENG N, WANG J. Distinctly different performances of two iron-doped charcoals in catalytic hydrocracking of pine wood hydropyrolysis vapor to methane or upgraded bio-oil[J]. Energy Fuels, 2020, 34: 546-556. doi: 10.1021/acs.energyfuels.9b03452
-
[16]
ZHENG N, ZHANG J, WANG J. Parametric study of two-stage hydropyrolysis of lignocellulosic biomass for production of gaseous and light aromatic hydrocarbons[J]. Bioresour Technol, 2017, 244: 142-150. doi: 10.1016/j.biortech.2017.07.103
-
[17]
MARKER T L, FELIX L G, LINCK M B, ROBERTS M J. Integrated hydropyrolysis and hydroconversion (IH2) for the direct production of gasoline and diesel fuels or blending components from biomass, Part 1:proof of principle testing[J]. Am Inst Chem Eng, 2012, 31: 191-199.
-
[18]
MARKER T L, FELIX L G, LINCK M B, ROBERTS M J, ORTIZ-TORAL P, WANGEROW J. Integrated hydropyrolysis and hydroconversion (IH2) for the direct production of gasoline and diesel fuels or blending components from biomass, Part 2:Continuous testing[J]. Am Inst Chem Eng, 2013, 33: 762-768.
-
[19]
LUO G, RESENDE F L P. In-situ and ex-situ upgrading of pyrolysis vapors from beetle-killed trees[J]. Fuel, 2016, 166: 367-375. doi: 10.1016/j.fuel.2015.10.126
-
[20]
LI B Q, COLETTE B D, RENE C. Catalytic hydropyrolysis by impregnated sulphided Mo catalyst[J]. Fuel, 1991, 70: 254-257. doi: 10.1016/0016-2361(91)90161-3
-
[21]
李文, 李保庆, 孙成功, 尉迟唯, 曹变英. 生物质热解、加氢热解及其与煤共热解的热重研究[J]. 燃料化学学报, 1996,24,(4): 341-347. LI Wen, LI Bao-qing, SUN Cheng-gong, WEI Chi-wei, CAO Bian-ying. Study on pyrolysis and hydropyrolysis of biomass and copyrolysis between biomass and coal[J]. J Fuel Chem Technol, 1996, 24(4): 341-347.
-
[22]
MEIER D, BERNS J, GRIINWALD C, FAIX O. Analytical pyrolysis and semicontinuous catalytic hydropyrolysis of organocell lignin[J]. J Anal Appl Pyrolysis, 1993, 25: 335-347. doi: 10.1016/0165-2370(93)80053-3
-
[23]
DAYTON D C, HLEBAK J, CARPENTER J R, WANG K, MANTE O D, PETERS J E. Biomass hydropyrolysis in a fluidized bed reactor[J]. Energy Fuels, 2016, 30: 4879-4887. doi: 10.1021/acs.energyfuels.6b00373
-
[24]
杨建丽, 李允梅, 阎瑞萍, 崔洪, 刘振宇, 王哲. 充州煤的催化加氢及其重质产物的分离和表征[J]. 煤炭转化, 1998,21,(2): 63-67. YANG Jian-li, LI Yun-mei, YAN Rui-ping, CUI Hong, LIU Zhen-yu, WANG Zhe. Catalytic hydrogenation of YanZhou coal and characterization of the heavy products[J]. Coal Convers, 1998, 21(2): 63-67.
-
[25]
STUMMANN M Z, HANSEN A B, HANSEN L P, DAVIDSEN B, RASMUSSEN S B, WIWEL P, GABRIELSEN J, JENSEN P A, JENSEN A D, HØJ M. Catalytic hydropyrolysis of biomass using molybdenum sulfide based catalyst effect of promoters[J]. Energy Fuels, 2019, 33: 1302-1313. doi: 10.1021/acs.energyfuels.8b04191
-
[26]
GAMLIEL D P, WILCOX L, VALLA J A. The effects of catalyst properties on the conversion of biomass via catalytic fast hydropyrolysis[J]. Energy Fuels, 2017, 31: 679-687. doi: 10.1021/acs.energyfuels.6b02781
-
[27]
VENKATAKRISHNAN V K, DELGASS W N, RIBEIRO F H, AGRAWAL R. Oxygen removal from intact biomass to produce liquid fuel range hydrocarbons via fast-hydropyrolysis and vapor-phase catalytic hydrodeoxygenation[J]. Green Chem, 2015, 17: 178-183. doi: 10.1039/C4GC01746C
-
[28]
CHANG Z, DUAN P, XU Y. Catalytic hydropyrolysis of microalgae:Influence of operating variables on the formation and composition of bio-oil[J]. Bioresour Technol, 2015, 184: 349-354. doi: 10.1016/j.biortech.2014.08.014
-
[29]
VENKATAKRISHNAN V K, DEGENSTEIN J C, SMELTZ A D, DELGASS W N, AGRAWAL R, RIBEIRO F H. High-pressure fast-pyrolysis, fast-hydropyrolysis and catalytic hydrodeoxygenation of cellulose:Production of liquid fuel from biomass[J]. Green Chem, 2014, 16: 792-802. doi: 10.1039/c3gc41558a
-
[30]
MELLIGAN F, HAYES M H B, KWAPINSKI W, LEAHY J J. A study of hydrogen pressure during hydropyrolysis of Miscanthus x giganteus and online catalytic vapour upgrading with Ni on ZSM-5[J]. J Anal Appl Pyrolysis, 2013, 103: 369-377. doi: 10.1016/j.jaap.2013.01.005
-
[31]
MELLIGAN F, HAYES M H B, KWAPINSKI W, LEAHY J J. Hydro-pyrolysis of biomass and online catalytic vapor upgrading with Ni-ZSM-5 and Ni-MCM-41[J]. Energy Fuels, 2012, 26: 6080-6090. doi: 10.1021/ef301244h
-
[32]
LI L Y, TAKARADA T. Conversion of hot coke oven gas into light fuel gas over Ni/Al2O3 Catalyst[J]. J Chem Eng Jpn, 2006, 39: 461-468. doi: 10.1252/jcej.39.461
-
[33]
GAMLIEL D P, BOLLAS G M, VALLA J A. Bifunctional Ni-ZSM-5 catalysts for the pyrolysis and hydropyrolysis of biomass[J]. Energy Technol, 2017, 5: 172-182. doi: 10.1002/ente.201600136
-
[34]
DIETRICH M, RONALD A, OSKAR F. Catalytic hydropyrolysis of lignin:Influence of reaction conditions on the formation and composition of liquid products[J]. Bioresour Technol, 1992, 40: 171-177. doi: 10.1016/0960-8524(92)90205-C
-
[35]
ZHANG J, ZHENG N, WANG J. Two-stage hydrogasification of different rank coals with a focus on relationships between yields of products and coal properties or structures[J]. Appl Energy, 2016, 173: 438-447. doi: 10.1016/j.apenergy.2016.04.034
-
[36]
ZHANG J, ZHENG N, WANG J. Comparative investigation of rice husk, thermoplastic bituminous coal and their blends in production of value-added gaseous and liquid products during hydropyrolysis/co-hydropyrolysis[J]. Bioresour Technol, 2018, 268: 445-453. doi: 10.1016/j.biortech.2018.08.018
-
[37]
YAN H B, MAO F, WANG J. Thermogravimetric-mass spectrometric characterization of thermal decomposition of lignite with attention to the evolutions of small molecular weight oxygenates[J]. J Anal Appl Pyrolysis, 2020, 146: 104781. doi: 10.1016/j.jaap.2020.104781
-
[38]
JIANG Y W, YAN H B, GUO Q H, WANG F C, WANG J. Multiple synergistic effects exerted by coexisting sodium and iron on catalytic steam gasification of coal char[J]. Fuel Process Technol, 2019, 191: 1-10. doi: 10.1016/j.fuproc.2019.03.017
-
[39]
ZHONG M, ZHAO Y, ZHAI J R, JIN J L, HU H Q, BAI Z Q, LI W. Effects of nickel additives with different anions on the structure and pyrolysis behavior of Hefeng coal[J]. Fuel Process Technol, 2019, 193: 273-281. doi: 10.1016/j.fuproc.2019.05.030
-
[1]
-
图 1 实验装置和流程示意图
Figure 1 Schematic diagram of the apparatus used for biomass catalytic hydropyrolysis
1: H2 gas cylinders; 2: pressure regulators; 3: dehumidifier; 4: mass flow controllers; 5: check valves; 6: ball valves; 7: reactor; 8: furnace; 9: samples; 10: thermocouple; 11: liquid product trap; 12: liquid nitrogen or ice- salt mixture; 13: pressure transducers; 14: mass flow meter; 15: gas chromatograph
图 6 无催化剂和含有两种铁基催化剂样品的热重-质谱分析(热重条件对应图 5)
Figure 6 TG-MS spectra of the pinewood devolatilization with no catalyst and with Fe(NO3)3 or FeSO4 catalyst
a: pinewood with NC; b: pinewood with Fe(NO3)3 catalyst; c: pinewood with FeSO4 catalyst
表 1 松木的工业分析和元素分析
Table 1. Proximate and ultimate analyses of pinewood
Proximate analysis
wdry/%Ultimate analysis
wdaf/%V FC A C H N S Oa 85.0 14.4 0.6 51.6 6.2 0.1 0.0 42.1 a: by difference 表 2 无催化剂和不同催化剂作用下生物质加氢热解产生的各类产物产率和气体产物产率以及碳转化率和移入生物油的氧转化率
Table 2. Yields of overall products, individual gases, the carbon conversion and the oxygen conversion by hydropyrolysis of biomass with different catalysts and withot catalyst (NC) at 700 ℃ and 5.0 MPa H2
Products NC Fe(NO3)3 FeSO4 Overall products gas 23.4 ± 1.8 42.9 ± 2.2 21.6 ± 1.6 (daf. biomass basis) w/% water 23.0 ± 1.5 28.1± 1.6 26.2 ± 1.5 bio-oil 34.1 ± 1.8 32.8 ± 1.7 28.6 ± 1.6 chara 15.5 ± 0.1 0.3 ± 0.1 17.9 ± 0.1 sum 96.1 104.0 94.3 Gases CO2 8.7 ± 0.9 12.6 ± 0.8 8.6 ± 0.7 (daf. biomass basis) w/% CO 7.9 ± 0.7 6.7 ± 0.7 5.9 ± 0.6 CH4 4.3 ± 0.5 21.2 ± 0.8 4.7 ± 0.4 C2H6 1.5 ± 0.3 1.6 ± 0.1 1.9 ± 0.2 C2H4 0.1 0.1 0.0 C3H8 0.7 ± 0.1 0.5 ± 0.1 0.4 ± 0.1 C3H6 0.1 0.1 0.1 Carbon conversion (carbon basis) x/% 70.1 97.4 63.0 Oxygen conversion to bio-oil (oxygen basis) /% 25.6 22.1 26.7 a:excluding ash content 表 3 无催化剂和Fe(NO3)3催化剂作用下生物质在不同终温下加氢热解产生的气体和主要生物油产物产率
Table 3. Yields of individual gases and main bio-oil compounds produced by hydropyrolysis of biomass at different temperatures with Fe(NO3)3 and without catalyst (NC) under 5.0 MPa H2
Yield/carbon conversion NC Fe(NO3)3 600 ℃ 650 ℃ 700 ℃ 600 ℃ 650 ℃ 700 ℃ Overall products gas 20.2 21.3 23.4 ± 1.8 25.7 38.1 42.9 ± 2.2 (daf. biomass basis) w/% water 20.4 21.9 23.0 ± 1.5 27.7 28.1 28.1± 1.6 bio-oil 30.6 32.8 34.1 ± 1.8 30.8 31.4 32.8 ± 1.7 chara 23.6 18.0 15.5 ± 0.1 12.8 2.4 0.3± 0.1 sum 94.8 94.1 96.2 97.0 100.0 104.0 Gases (daf. biomass basis)w/% CO2 7.6 8.0 8.7 ± 0.9 11.6 12.5 12.6 ± 0.8 CO 6.7 6.9 7.9 ± 0.7 3.4 5.7 6.7 ± 0.7 CH4 4.0 4.2 4.3 ± 0.5 9.0 17.9 21.2 ± 0.8 C2b 1.3 1.5 1.6 ± 0.3 1.1 1.3 1.7 ± 0.1 C3b 0.7 0.7 0.8 ± 0.1 0.6 0.6 0.6 ± 0.1 Main liquid compounds oxygenates 0.1 0.1 0.0 0.4 0.4 0.8 ± 0.2 (daf. biomass basis)w/% phenols 0.4 0.4 0.4 ± 0.1 0.4 0.4 0.4 ± 0.1 MAHs 0.5 1.1 1.6 ± 0.2 1.0 1.3 2.7 ± 0.3 B & TAHs 0.1 0.5 0.8 ± 0.2 0.2 0.3 0.5 ± 0.1 Carbon conversion (carbon basis)w/% 57.7 66.1 70.0 77.0 93.9 97.4 a: excluding ash content; b: saturated hydrocarbon gases occupied the majority pressure, 5.0 MPa H2 表 4 不同催化剂在不同温度下生物炭的比表面积和孔容
Table 4. Specific surface and pore structure parameters of char samples obtained with different catalysts and with no catalyst (NC)at different temperatures
NC Fe(NO3)3 FeSO4 700 ℃ 400 ℃ 700 ℃ 400 ℃ 700 ℃ Specific surface area A/(m2·g-1) 17.7 3.3 129.6 4.2 3.0 Micropore v/(μL·g-1) 8.2 1.4 56.5 2.0 1.6 Mesoporous v/(μL·g-1) 133.9 19.4 345.7 30.0 16.1 -
扫一扫看文章
计量
- PDF下载量: 10
- 文章访问数: 2264
- HTML全文浏览量: 457

下载:
下载: